search.scanner.init.message
eckige Form mit Abdeckkappe, nur 1 Befestigungspunkt \n- mit Verstellung in 3 Achsen \n- Verstellbereich ca. 9 m...
runde Form, nur 1 Befestigungspunkt \n- mit Verstellung in 3 Achsen \n- Verstellbereich ca. 9 mm \n- verdeckte Versch...
Hakenschlüssel Model 1013 \n
Absenkdichtung für Glas-Türen \n- Hub bis 16 mm \n- Bei optimaler Abdichtung Schalldämmwert bis...
mechanisch \n
Anbindung an Rundrohre, Durchmesser 42.4 mm \ninkl. Gummieinlagen \n
Innendurchmesser 34 mm \n
Falle und Riegel Edelstahl matt, Riegelvorschub 1-tourig, 20 mm, ohne Schliessblech \nPanikfunktion D auswärts \...
gebohrt, für Türdicken bis max. 45 mm
gebohrt, für Glastüren
\n farblos eloxiert, gebohrt \n für Glasstärken 8 - 12 mm \n \n
mit Aufnahme für Dichtprofil für Ganzglasduschen, bis max. 40 kg, ohne Glasbearbeitung für ESG-Glas,...
gebohrt, für Glastüren
selbstklebend
für die Decken-Unterputz-Montage zum Eingipsen, Laufnut mini, mit Fixit 341, Quarzbrücke R + S behandelt, G...
universell einsetzbare Bilderschiene mit einfach zu handhabenden Bilder-Aufhängesets, aber auch mit individuelle...
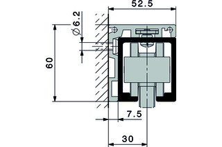
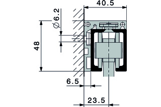
Die drückergesteuerte Mehrpunktverriegelung mFlipLock e-access ohne Panikfunktion, ist mit einer durchgehen...
Die drückergesteuerte Mehrpunktverriegelung mFlipLock e-access ohne Panikfunktion, ist mit einer durchgehen...
zu Vordach-Sets
mit Gleitschiene