search.scanner.init.message
inkl. Kunststoffeinsatz
einzelne Klemmbacken auf gesamter Länge positionierbar, spezialgebeizt ohne Endkappen
Mass Profil in Attribut-Tabelle: Aussenmasse, Breite / Höhe / Dicke
Winkelprofile
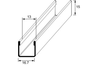
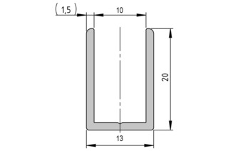
U-Profile
U-Profile
U-Profile
U-Profile
feuchtraumgeeignet
feuchtraumgeeignet
Passend zu Klemmprofil-Set 8884
für einen optischen Anschluss bei Linienentwässerungen / ebenerdigen Duschen (barrierefrei), in Kombination mit U-Pro...
eignet sich für den Einsatz in der Dusche und kann in der Wand oder im Boden eingefliest werden, die Glaswand wird da...
für Anwendung als Deckenabhängung, pro Klemmbacke ein Sicherungsstift
feuchtraumgeeignet
feuchtraumgeeignet
schützt das Glas beim Einsetzen in Metallprofile, für Profile mit 10mm Innenmass geeignet.
für den Einbau feststehender Glastrennwände, abgerundete Ecken, Bohrführung im Boden des Profils
z.B. als seitlicher Rahmen, mit Befestigungsmaterial (4 Schrauben und Dübel), ohne Bohrung für Befestigung
2-teilig mit zwei eckigen Abdeckprofilen, mit Befestigungsmaterial